Ecodan koelbedrijf optimalisatiemodule
In het geval dat een warmtepomp ook ingezet wordt voor koelbedrijf en het afgifte voor koeling is vloerkoeling, dan is het koelvermogen veelal lager dan het verwarmingsvermogen. De reden hiervoor is dat alle temperaturen dicht bij elkaar liggen, de aanvoer en retourtemperatuur voor de vloerkoeling, de vloertemperatuur bij de binnen luchttemperatuur en vervolgens de binnen luchttemperatuur weer bij de buiten luchttemperatuur. Hierdoor ontstaat er mogelijk pendelgedrag van de installatie.
Om tijdens het koelen het frequent in- en uitschakelen te voorkomen kan een optimalisatiemodule worden ingebouwd waardoor de Ecodan warmtepomp wordt begrensd in het inschakelen.
De module bestaat uit voorbedrade relais met timerfunctie die worden gemonteerd in de elektronica box van de hydrobox of cilinder-unit.
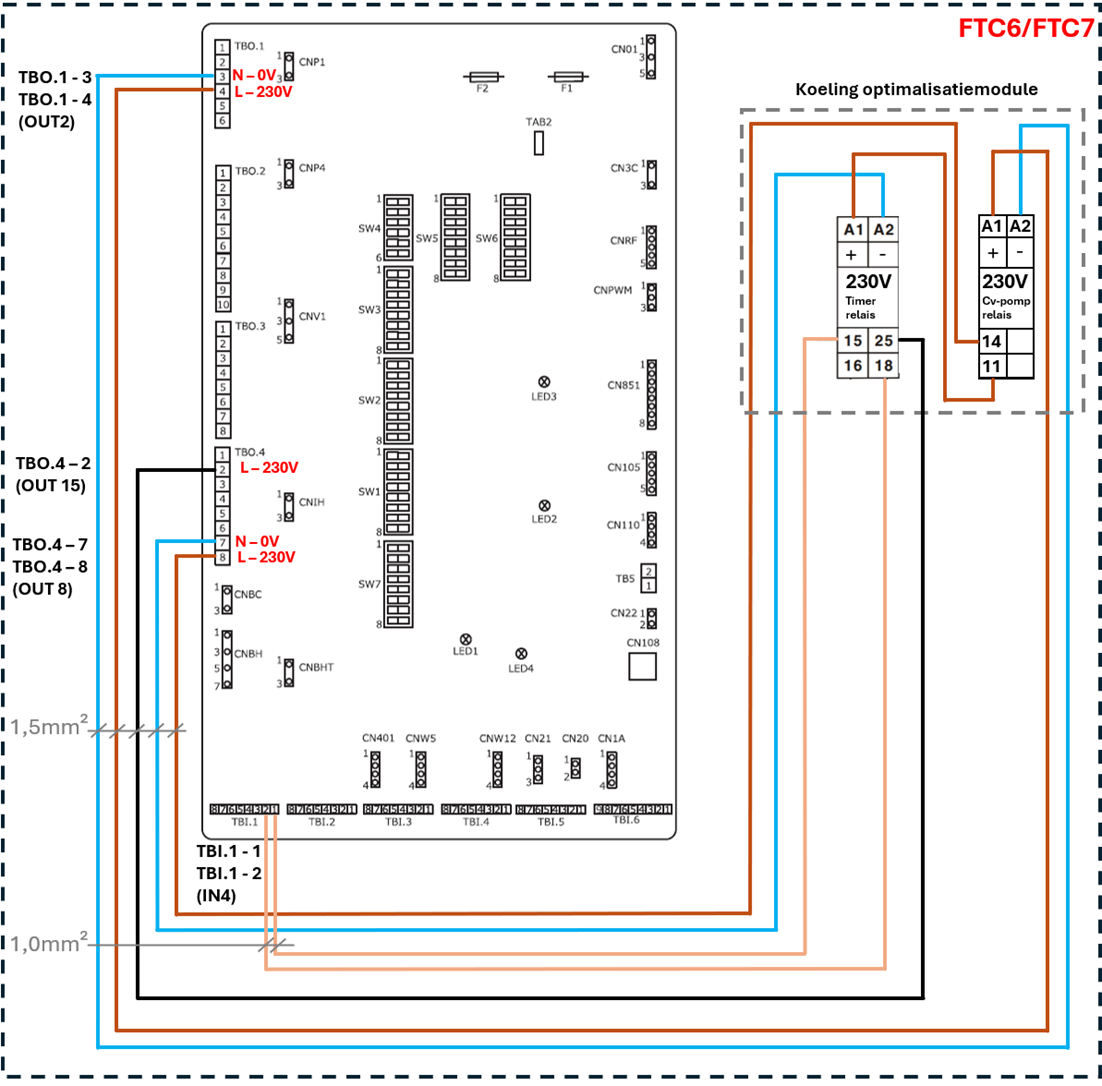
FTC6 & FTC7
Zodra de warmtepomp in koelbedrijf staat zal output 8 (TBO.4 7-8) bekrachtigd worden met 230V / 0,5A max. en deze stroom zal fungeren als voeding voor het “timer” relais.
Wanneer de warmtepomp actief is voor ruimteverwarming/koeling zal output 2 (TBO.1 3-4) bekrachtigd worden met 230V / 0,5A max. en deze stroom zal het “cv-pomp actief” relais bekrachtigen.
Dit zorgt er voor dat alleen bij ruimteverwarming/koeling het “compressor actief” signaal van output 15 contact TBO.4 (2) 230V / 0,5A max. doorgelaten wordt.
Start nu de compressor in koelbedrijf dan zorgt output 15 voor een inputsignaal op contact 25 van het “timer” relais. Het “timer” relais is NO en vertraagd afvallend.
Als de compressor stopt valt de input op contact 25 af, gaat de timer lopen en wordt IN4 contact (TBI.1 1-2) gemaakt. IN4 blokkeert de compressor en na de ingestelde tijd (ca. 20 min) wordt de compressor pas weer vrij gegeven.
Bij tapwaterbereiding onderbreekt het “cv-pomp actief” relais de input op contact 25 van het “timer” relais en wordt de regeling niet actief.
Als de warmtepomp in verwarmingsbedrijf staat vervalt output 8 en wordt de voeding op het “timer“ relais onderbroken en is de optimalisatiemodule uitgeschakeld.
Door het plaatsen van de optimalisatiemodule kunnen de start/stops toy maximaal 6x per uur ingeregeld worden.
OUT2 - TBO.1 (3-4) - 230V
OUT15 - TBO.4 (2) - 230V
OUT8 - TBO.4 (7-8) - 230V
IN4 - TBI.1 (1-2) - potentiaal vrij
A1-A2 - Voeding - 230V
15-18 - NO contact timer relais - potentiaal vrij
25 - Puls contact timer relais - 230V
11-14 - NO contact cv-pomp relais - potentiaal vrij
Timer relais: Selec 600XU
- Bovenste twee draaiknopjes, instellingen tijdsduur
- A -> op 3h zetten B -> op 1 zetten
- Min. 10 minuten, max. 20 minuten
- Onderste draaiknopje op regeling H instellen
Instellen nadraaitijd van de circulatie pomp:
Wanneer de ECO instelling voor de pomp is geactiveerd dient de nadraaitijd voldoende lang te zijn om het cv-circuit de tijd te geven om de gebufferde koude af te geven aan de ruimte.
Hiervoor kunnen de volgende stappen gevolgd worden:
- Ga via het hoofdmenu naar de instellingen, vervolgens naar “Service” en voer het wachtwoord in.
- Ga binnen “Service” naar “Extra instellingen” en vervolgens naar “Eco instellingen voor pomp”
- Zet de instelling “Aan” en zet “Wacht” op 20 minuten.
FTC5
Zodra de warmtepomp in koelbedrijf staat zal output 8 (TBO.4 5-6) bekrachtigd worden met 230V / 0,5A max. en deze stroom zal fungeren als voeding voor het “timer” relais.
Wanneer de warmtepomp actief is voor ruimteverwarming/koeling zal output 2 (TBO.1 3-4) bekrachtigd worden met 230V / 0,5A max. en deze stroom zal het “cv-pomp actief” relais bekrachtigen.
Dit zorgt er voor dat alleen bij ruimteverwarming/koeling het “compressor actief” signaal van output 15 contact TBO.3 (8) 230V / 0,5A max. doorgelaten wordt.
Start nu de compressor in koelbedrijf dan zorgt output 15 voor een inputsignaal op contact 25 van het “timer” relais. Het “timer” relais is NO en vertraagd afvallend.
Als de compressor stopt valt de input op contact 25 af, gaat de timer lopen en wordt IN4 contact
(TBI.1 1-2) gemaakt. IN4 blokkeert de compressor en na de ingestelde tijd (ca. 20 min) wordt de compressor pas weer vrij gegeven.
Bij tapwaterbereiding onderbreekt het “cv-pomp actief” relais de input op contact 25 van het “timer” relais en wordt de regeling niet actief.
Als de warmtepomp in verwarmingsbedrijf staat vervalt output 8 en wordt de voeding op het “timer“ relais onderbroken en is de optimalisatiemodule uitgeschakeld.
Door het plaatsen van de optimalisatiemodule kunnen de start/stops tot maximaal 6x per uur ingeregeld worden.
OUT2 - TBO.1 (3-4) - 230V
OUT15 - TBO.3 (8) - 230V
OUT8 - TBO.4 (5-6) - 230V
IN4 - TBI.1 (7-8) - potentiaal vrij
A1-A2 - Voeding - 230V
15-18 - NO contact timer relais - potentiaal vrij
25 - Puls contact timer relais - 230V
11-14 - NO contact cv-pomp relais - potentiaal vrij
Timer relais: Selec 600XU
- Bovenste twee draaiknopjes, instellingen tijdsduur
- A -> op 3h zetten B -> op 1 zetten
- Min. 10 minuten, max. 20 minuten
- Onderste draaiknopje op regeling H instellen